stm32h747-clock

STM32H747 提供了多种时钟源:
- HSI:高速内部 RC 振荡器,可配置为 8/16/32/64 MHz。
- HSE:高速外部晶振,范围 4–48 MHz。
- LSE:低速外部晶振,固定 32.768 kHz(常用于 RTC)。
- LSI:低速内部 RC 振荡器,约 32 kHz(常用于看门狗、RTC)。
- CSI:低功耗内部 RC 振荡器,约 4 MHz。
- HSI48:高速内部 48 MHz RC 振荡器,主要用于 USB、RNG、音频外设。
这些时钟源可以灵活选择作为 CPU 或外设的时钟输入。每个时钟源都可以 独立开关。在不需要某个外设或时钟时,可以关闭对应的时钟源,降低功耗。
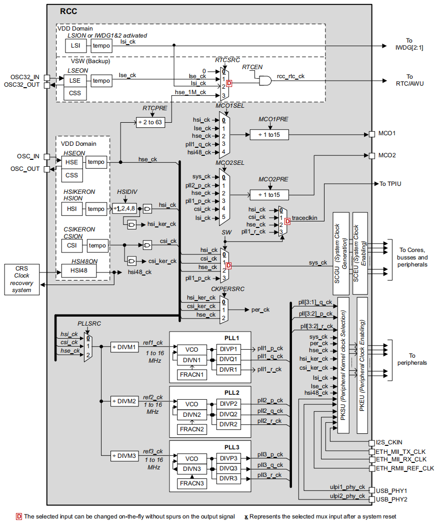
MCO 输出:RCC(Reset and Clock Control) 提供 两个时钟输出端口 (MCO1, MCO2),可以选择不同的时钟源输出到引脚,用于调试或给外部器件提供时钟。
锁相环 PLL:PLL 把输入时钟源(如 HSE/HSI/CSI)倍频/分频,生成系统时钟和外设时钟。RCC 提供 最多 3 个 PLL(PLL1、PLL2、PLL3)。每个 PLL 可以配置 整数倍频或分数倍频。例如:USB 需要精确的 48 MHz,SDMMC 需要特定频率,PLL 就能提供这些。
时钟分配单元:STM32H7 的时钟系统中的几个关键模块:
SCGU (System Clock Generation Unit)
- 包含各种 预分频器 (prescaler)。
- 用来生成 CPU 内核时钟和总线矩阵时钟。
PKSU (Peripheral Kernel clock Selection Unit)
- 提供外设内核时钟的选择开关。
- 不同外设(USB、Ethernet、SPI、SAI、SDMMC)可以选择不同的时钟源。
- 动态切换,灵活适配应用需求。
PKEU (Peripheral Kernel clock Enable Unit)
- 控制外设内核时钟的 开关 (gating)。
- 如果外设没用,可以关闭它的时钟,节省功耗。
SCEU (System Clock Enable Unit)
- 控制系统总线、核心、矩阵的时钟开关。
- 例如关闭某些域的时钟,降低功耗。
1 时钟命名约定 (Clock naming convention)
1.1 Peripheral clocks(外设时钟)
这是 RCC 提供给外设的时钟,分为两类:
Bus interface clocks(总线接口时钟)
- 用来驱动外设的寄存器访问。
- 外设要能被 CPU 读写寄存器,必须有这个时钟。
- 来源:AHB、APB 或 AXI 总线时钟,取决于外设挂在哪条总线上。
- 举例:RNG(随机数发生器)、TIMx(定时器)只需要总线接口时钟。
Kernel clocks(内核时钟)
- 用来驱动外设的功能逻辑(比如通信协议、数据处理)。
- 某些外设需要专门的时钟才能正常工作。
- 例如SAI(音频接口)需要一个精确的主时钟 (MCLK),这就必须由 RCC 提供一个专用的 kernel clock。
USB、SAI、SDMMC 这类外设需要一个 特定频率的、精确的时钟源(比如 48 MHz、音频采样率),所以 RCC 提供了 kernel clock 机制。
好处:总线接口时钟和内核时钟分离 → 即使改变总线时钟频率,也不会影响外设的功能时钟。
1.2 CPU clocks(CPU 时钟)
提供给 CPU 内核的时钟。来自系统时钟 sys_ck。这是 CPU 执行指令的主频。
1.3 Bus matrix clocks(总线矩阵时钟)
提供给 总线桥接器(APB、AHB、AXI)的时钟。这些时钟也是从系统时钟 sys_ck 分频得到的。用来驱动不同总线域之间的数据传输。
2 振荡器 (Oscillator) 描述
2.1 HSE (High-Speed External oscillator)
来源:外部晶振/陶瓷谐振器,或者外部时钟源(HSE bypass)。
用途:提供一个非常精确的高速时钟,常用于系统主时钟或 PLL 输入。
关键点:
- HSEBYP=1,HSEON=1 → 外部时钟输入模式 (OSC_IN 引脚)。
- HSEBYP=0,HSEON=1 → 外部晶振模式,需要匹配负载电容。
- HSERDY 标志位:表示 HSE 是否稳定。只有稳定后才能释放时钟。
- 不能关闭的情况:如果 HSE 正在作为系统时钟,或者作为 PLL1 的参考时钟并且 PLL1 用来驱动系统时钟。
- 低功耗模式:进入 Stop/Standby 时,HSE 会自动关闭。
可输出到 MCO1/MCO2:可以作为外部引脚时钟输出。
2.2 LSE (Low-Speed External oscillator)
来源:外部 32.768 kHz 晶振,或者外部低速时钟输入 (LSE bypass)。
用途:主要用于 RTC(实时时钟),提供低功耗且高精度的时钟。
关键点:
- LSEBYP=1,LSEON=1 → 外部时钟输入模式 (OSC32_IN 引脚)。
- LSEBYP=0,LSEON=1 → 外部 32.768 kHz 晶振模式。
- LSERDY 标志位:表示 LSE 是否稳定。
- 低功耗模式:LSE 在 Stop/Standby 模式下仍然保持工作。
- 驱动能力可调 (LSEDRV):可以调节晶振驱动强度,但只能在关闭 LSE 时修改。
- 可输出到 MCO1:可以作为外部引脚时钟输出。
2.3 HSI (High-Speed Internal oscillator)
来源:内部 RC 振荡器。
频率:可选 8/16/32/64 MHz(通过 HSIDIV 分频器)。
用途:默认系统时钟源,也可作为 PLL 输入。
关键点:
- 优点:启动快(几微秒)、无需外部晶振。
- 缺点:精度不如外部晶振。
- HSIRDY 标志位:表示 HSI 是否稳定。
- 不能关闭的情况:如果 HSI 正在作为系统时钟,或者作为 PLL1 的参考时钟并且 PLL1 用来驱动系统时钟。
- HSIDIV 限制:如果 HSI 正在作为 PLL 输入,则不能修改 HSIDIV。
- 校准:出厂有工厂校准值 (HSICAL),用户可通过 HSITRIM 微调。(ST 在出厂时会给每颗芯片写入一个 工厂校准值 (HSICAL/CSICAL),保证频率在一定精度范围内。用户可以通过 HSITRIM 寄存器进一步微调频率)
- 低功耗模式:可选择在 Stop 模式下保持开启。
- 可输出到 MCO1:可以作为外部引脚时钟输出。
注意:作为通信外设的 kernel clock 时,要考虑启动延迟和精度。
2.4 CSI (Clock Source Internal oscillator)
来源:内部低功耗 RC 振荡器。
频率:约 4 MHz。
用途:可作为系统时钟、外设时钟或 PLL 输入,常用于低功耗场景。
关键点:
- 优点:启动快、功耗低。
- 缺点:精度不高。
- CSIRDY 标志位:表示 CSI 是否稳定。
- 不能关闭的情况:如果 CSI 正在作为系统时钟,或者作为 PLL1 的参考时钟并且 PLL1 用来驱动系统时钟。
- 校准:出厂有工厂校准值 (CSICAL),用户可通过 CSITRIM 微调。
- 低功耗模式:可选择在 Stop 模式下保持开启。
- 可输出到 MCO2:可以作为外部引脚时钟输出。
注意:作为通信外设的 kernel clock 时,要考虑启动延迟和精度。
2.5 HSI48 oscillator
HSI48 是专门为 USB、RNG、音频外设准备的高速时钟源,配合 CRS 能达到 USB 所需的 ±0.25% 精度。
类型:内部高速 RC 振荡器,固定输出 48 MHz。
用途:主要为 USB 外设提供精确时钟。
精度保证:
- 结合 CRS (Clock Recovery System) 使用,可以自动校准频率。
- CRS 可利用 USB SOF 包 (1 ms)、LSE 32.768 kHz 或外部参考信号来动态微调 HSI48。
- 如果不使用 CRS,HSI48 就是自由运行的 RC 振荡器,精度依赖工厂校准值。
控制位:
- HSI48ON → 开启/关闭 HSI48。
- HSI48RDY → 表示 HSI48 是否稳定。只有稳定后才能输出时钟。
低功耗模式:进入 Stop/Standby 时自动关闭。
其他用途:可以输出到 MCO1 引脚,作为外部时钟源。
2.6 LSI oscillator
LSI 是一个低功耗时钟源,主要保证 看门狗和低功耗唤醒功能在休眠模式下仍然可靠运行。
类型:内部低速 RC 振荡器,频率约 32 kHz。
用途:主要用于 独立看门狗 (IWDG) 和 自动唤醒单元 (AWU)。
特点:
- 功耗低,可以在 Stop/Standby 模式下保持运行。
- 如果 IWDG 被启用,LSI 会被强制开启,不能关闭。
控制位:
- LSION → 开启/关闭 LSI。
- LSIRDY → 表示 LSI 是否稳定。
其他用途:可以输出到 MCO2 引脚,作为外部时钟源。
3 Clock Security System (CSS)
3.1 HSE 上的 CSS
启用方式: 通过软件设置 HSECSSON 位来启用。即使 HSEON=0 时也可以设置。 当 HSE 被使能并稳定 (HSERDY=1),且 HSECSSON=1 时,硬件才真正启用 CSS。
禁用条件: 当 HSE 被关闭时,CSS 自动禁用。因此在 Stop 模式下 CSS 不工作。 HSECSSON 位不能由软件直接清除,它会在 系统复位或进入 Standby 模式时由硬件清除。
如果 HSE 时钟失败:
- 系统时钟会自动切换到HSI以提供安全时钟。
- HSE 自动关闭。
- 一个时钟故障事件会发送到高级定时器 (TIM1、TIM8、TIM15、TIM16、TIM17) 的 break 输入。
- 产生一个 CSS 中断 (rcc_hsecss_it),通知软件进行救援操作。
- 如果 HSE 是 PLL 的输入源,则 PLL 也会被自动关闭。
当 CSS 检测到 HSE 故障时,会触发一个 NMI (不可屏蔽中断)。
- HSECSSF 标志位在 RCC_CIFR 寄存器中被置位,表示故障来源。
- NMI 例程会一直执行,直到应用在 NMI ISR 中清除 HSECSSF(通过设置 HSECSSC 位于 RCC_CICR)。
3.2 LSE 上的 CSS
启用方式: 通过软件设置 LSECSSON 位(位于 RCC_BDCR)。 必须在 LSE 已经使能 (LSEON=1)、稳定 (LSERDY=1),并且 RTC 时钟源已选择 (RTCSEL) 后才能设置。
禁用条件: LSECSSON 位只能由硬件清除,发生在
- 软件复位 (pwr_vsw_rst) 后,或
- 检测到 LSE 故障时。
工作模式: LSE 的 CSS 在 Run、Stop、Standby 模式下都有效(除了 VBAT 模式)。
故障处理: 如果 LSE 故障:
- LSE 不再提供 RTC 时钟,但 RTCSEL、LSECSSON、LSEON 位不会被硬件改变。
- 在 Standby 模式下会产生唤醒事件。
- 在其他模式下会产生一个中断 (rcc_lsecss_it),通知软件。
LSE发生错误后,软件还没处理之前,RTC 没有时钟驱动,相当于停摆。
软件必须:
- 禁用 LSECSSON 位。
- 停止失效的 LSE(清除 LSEON 位)。
- 重新选择 RTC 时钟源(无时钟、LSI 或 HSE),或采取其他措施保证应用安全。
4 PLL

三个相互独立的 PLL,可以同时工作,互不影响。
- PLL1:主 PLL,通常用于 CPU 和部分外设的系统时钟。
- PLL2 / PLL3:专用 PLL,用于为外设提供 kernel clock。
4.1 PLL 特性
两个 VCO (Voltage Controlled Oscillator):
- VCOH:宽范围 VCO,高频输入 (2–16 MHz)。
- VCOL:低频 VCO,输入范围 (1–2 MHz)。
工作模式:
- 整数模式
- 分数模式 (Fractional-N),通过 13 位 Sigma-Delta 调制器实现。
每个 PLL 提供 3 路输出 (P/Q/R),都有独立的分频器。
4.2 配置流程
选择参考时钟 (refx_ck)
- RCC_PLLCKSELR.PLLSRC 设置PLL时钟源
- 通过 RCC_PLLCKSELR.DIVMx 调整每个PLL的输入频率。
- 输入频率必须在 1–16 MHz 范围内。
选择 VCO 类型
- 如果参考频率 ≤ 2 MHz → 选择 VCOL。
- 如果参考频率 > 2 MHz → 选择 VCOH。
为了降低功耗,推荐选择能满足需求的最低频率范围。
设置倍频因子 (DIVNx)
- 控制 VCO 输出频率。
- 必须保证输出频率在 VCO 允许范围内。
分数模式 (FRACNx)
- 当 FRACEN 发生 0 —> 1 变化时,FRACNx 值会加载到 shadow register (SH_REG)。
- 提供更精细的频率调节。
输出分频 (DIVP, DIVQ, DIVR)
- 每个 PLL 有 3 路输出,分别用于系统时钟和外设。
- 如果某个输出不用,须同时清除 使能位 (DIVyEN) 和对应分频值。
4.3 PLL 输出频率计算
整数模式 (Integer mode, SH_REG=0)
VCO 输出频率公式:Fvco = Fref_ck × DIVN
PLL 输出频率 (P/Q/R 分路):Fpll_y = Fvco / (DIVy+1) ,y ∈ {P,Q,R}。PLL1 的 DIVP 只能取 奇数值,这是硬件设计上的约束。
分数模式 (Fractional mode, SH_REG≠0)
在分数模式下,PLL 倍频因子不仅有整数部分 DIVN,还可以加上一个分数部分 FRACN。
公式:Fvco = Fref_ck × ( DIVN + FRACN / 8192 )
其中:
- FRACN 是 13 位分数值 (0–8191)。
分母固定为 2^13=8192,所以分数部分的步进非常细,可以做到 0.3 ppm ~ 11 ppm 的精度。
这样就能在任意晶振频率下生成精确的目标频率,或者在运行时动态微调。
PLL 自动关闭的情况:
- 进入 Stop 或 Standby 模式,硬件自动关闭PLL → 节省功耗。
- HSE 失败,且系统时钟依赖 HSE 或由 HSE 驱动的 PLL → PLL 自动关闭,系统切换到 HSI。
4.4 PLL 初始化流程

如果应用程序需要动态调整PLLx频率(仅在分数模式下),则:先设置 FRACN,再启用 PLL;如果需要动态调节,必须遵循 FRACEN=0 → 写新值 → FRACEN=1 → 等待传播延迟 的流程。
5 System Clock
上电复位后,系统默认使用 HSI(内部高速时钟) 作为 sys_ck
所有 PLL(锁相环)默认关闭
可选系统时钟(sys_ck)源(4 种):通过配置 RCC_CFGR 寄存器选择系统时钟源
- HSI 内部高速时钟(16 MHz)
- HSE 外部高速晶振
- CSI 内部低功耗时钟,用于低功耗模式
- PLL1_P PLL1 的 P 分频输出,通常用于高性能主频
如需切换系统时钟源,切换前必须确保目标时钟源 已就绪(稳定或 PLL 锁定)如果目标时钟未准备好,系统会等待其就绪后再切换。当前系统时钟状态由 RCC_CFGR.SWS 位指示
各时钟源是否就绪由 RCC_CR 中的状态位指示(如 HSIRDY, PLLRDY)
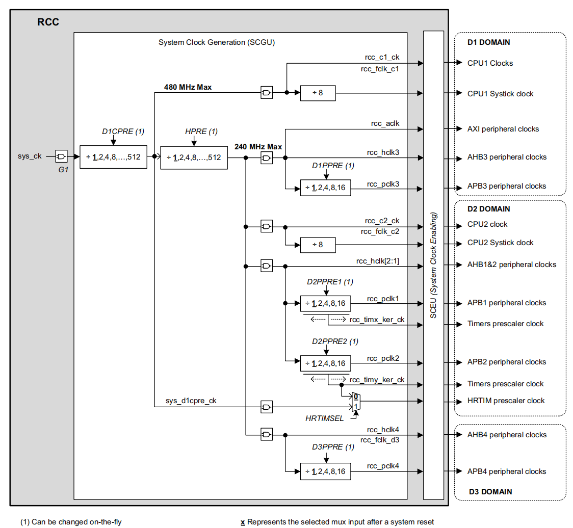
5.1 系统时钟分发与分频器配置
STM32H747 是多域架构,系统时钟分发涉及多个域和 CPU:
注意:CPU 主频可以等于总线频率,但总线频率最大为 200 MHz
分频器配置需综合考虑:
- 外设时钟要求(如 USB 需 48 MHz)
- 功耗优化(降低总线频率可节能)
- 多核协同(M7/M4 核共享部分总线)
示例配置代码,HSE=25MHz:
1 |
|
参考
[1] STM32H7xx Reference Manual, RM0399